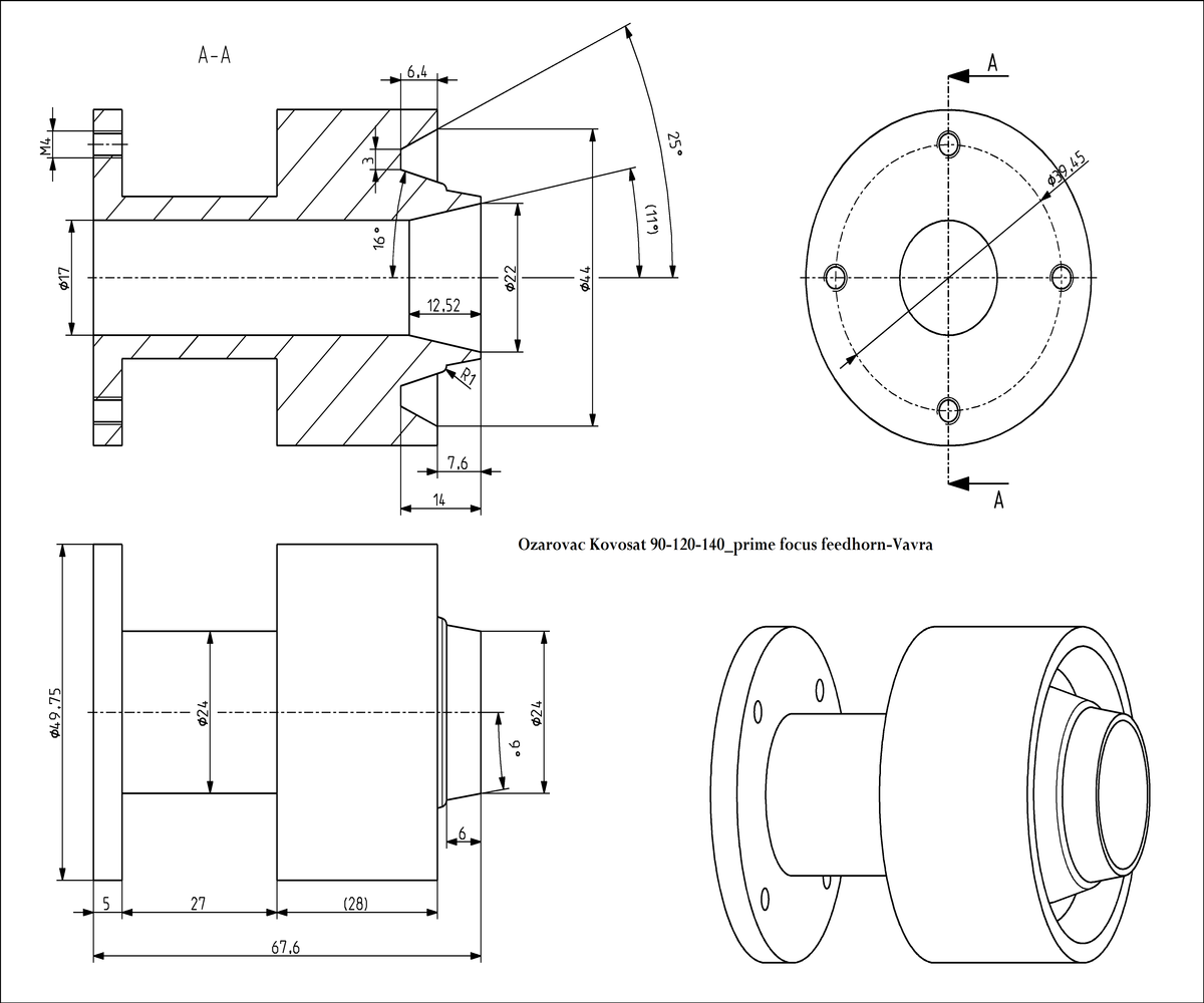
► Q & A _ Téma : Rozmery ožarovačov (feedhorns) pre stredové (prime focus) antény
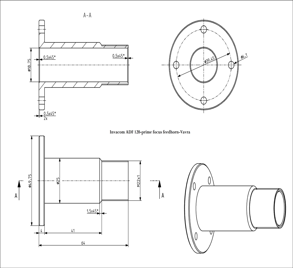
Pán Vavra prispieva výkresovou dokumentáciou do témy "Výroba ožarovača pre stredové antény"
a,Feedhorn Invacom ADF-120_dimensions: Rozmery ožarovača pre stredové antény
